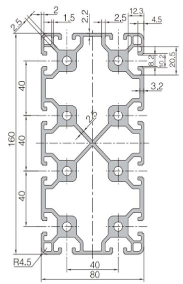
Aluminiumprofil 80×160mm

0.14  / mm

Die größte Versandlänge beträgt 2000 mm. Profile bis 3000 mm Länge können Sie bei uns abgeholt werden.

Produktpreis

Material: 6063-T5

Gewicht: 10.05kg/m